名称:2X型旋片式真空泵
2X型旋片式真空泵的产品用途及使用范围:
1、2X型旋片式真空泵是用以抽除特定密封容器内的气体,使该容器获得一定真空的基本设备,由于现代科学技术的高度发展,真空泵的应用遍及各个科学领域和各种企业事业单位,可供冶金、化工、轻工、石油、医疗、制药、印染、电器、电真空、半导体、食品、原子能、纺织等科研机关、大专院校、工矿企业作科研和生产与教学之用。
2、由于旋片式真空泵是用黑色金属制造,而且比较精密,整个泵的工作都是联系在一起的,所以旋片式真空泵不适用于抽除含氧过高的、有毒的、有爆炸性的浸蚀黑色金属的和对真空油起化学作用的各种气体,也不可做为压缩机和输送泵使用。如有气镇装置的泵,可抽除一定地的可凝汽体。,
3、旋片式真空泵可以用来直接获得真空度在10~3托以下的真空作业,以及配合其它真空作业之用。
4、旋片式真空泵一般在不低于5℃的室温及不高于90%的相对温度的环境内使用。
2X型旋片式真空泵的结构及原理:
5、图1是旋片式真空泵泵原理图,转子3及7与高真空室外1及低真空室6相切,转子3及7沿箭头方向旋转,带动转子槽内滑动的转片旋转,由于弹簧9及离心力的作用, 转片外端紧贴高低真空室的内表面滑动,把转子与高低真空室所形成的月洼形空间从进气嘴2到排气阀门5和从过气管4到排气阀门10之间分隔开来,形成二或三个容积,并且周期性的大小变化,当在图示旋片式真空泵位置继续旋转时A及C容积逐渐增大,被抽容积气体没进气嘴进入泵内,同时B及D容积逐渐减少,压力升高,随后冲开排气阀门5及10,将气体排出真空室外,气体经过油面而排于大气之中,因为油是淹住排气门的,故能防止气体返回真空室。当抽气压强较高时,高低真空室的阀门都排气,相当于单级泵,当真空度较高时,全部气体进入真空室,再由排气阀门10排出,此时二级串联即进入双级泵工作。
如被抽除的气体中含有较高的蒸汽气体时,在气体受到压缩而其蒸汽的分压强超过此蒸汽在泵内温度下的饱和压强时,此时蒸气被压缩成为液体,旋片式真空泵无法排出,而混在真空油内,使泵的性能大大降低。如果掺入适量的空气,使蒸汽在受到压缩时,其分压强也低于泵温的饱和压强,则蒸汽在变成液体前就能被排出泵外去,故本系列2X-4以上的泵都装有能放入一定量气体的掺气阀11见图1

(图1)附表
|
1
|
高真空室外
|
2
|
进气嘴
|
3
|
转子
|
4
|
过气管
|
5
|
排气阀门
|
|
6
|
低真空室
|
7
|
|
8
|
刮片
|
9
|
弹簧
|
10
|
|
6、2X系列的各种真空泵的外形和结构是基本相同的,泵由电机经三角皮带传动到转子。电动机和泵用螺钉卡板固定在底盘上。
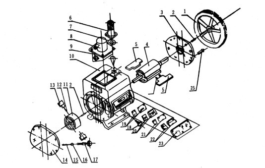
2X旋片式真空泵由泵体、高转子、低转子、前端板、后端板、高转片、低转片、排气阀、排气罩、视镜等零部件组成。见图2、图3。
在2X旋片式真空泵体内压入一个中隔板、将真空泵壳分成高低真空室,各室都有排气门,高真空室排气与低真空气相通。高转子前端伸出前轴;后端伸出后轴。前轴通过前端板的轴承支持、经过油密封室而伸出前端板外:后轴由中隔板上的轴承支持。而伸入低真空室内,低真空室转子则装在后轴上、故高低转子均由前轴带动。高低转子都有对开的槽子,呈“T”形的旋片由弹簧支撑开而装于槽内。2X旋片式真空泵的进气口处有过滤网,而排气口处有挡油网,视镜左边有掺气阀,下边有放油塞。

2X型旋片式真空泵附表
|
气体路径
|
3
|
过滤网
|
8
|
弹子
|
13
|
排气罩
|
18
|
后端板
|
23
|
水盖板
|
|
—→高真空路径
|
4
|
皮带轮
|
9
|
前轴
|
14
|
排气罩垫
|
19
|
低转子
|
24
|
排气阀片
|
|
—→高真空路径
|
5
|
前端板
|
10
|
油密封室
|
15
|
挡油网
|
20
|
冷却水接头
|
25
|
视窗
|
|
1
|
进气嘴
|
6
|
高转片
|
11
|
弹簧
|
16
|
泵壳
|
21
|
键
|
26
|
掺气阀
|
|
2
|
密封圈
|
7
|
高转子
|
12
|
定位销钉
|
17
|
中隔板
|
22
|
底转片
|
27
|
放油塞
|
2X型旋片式真空泵附表
|
1
|
皮带轮
|
6
|
排气咀
|
11
|
低转子
|
16
|
钢珠
|
21
|
阀片
|
|
2
|
键
|
7
|
密封圈
|
12
|
弹簧
|
17
|
手柄
|
22
|
档板
|
|
3
|
前端板
|
8
|
排气罩
|
13
|
底转片
|
18
|
放油塞
|
23
|
油盖
|
|
4
|
高转子
|
9
|
过滤网
|
14
|
后端板
|
19
|
纸垫
|
24
|
定位销钉
|
|
5
|
高转片
|
10
|
泵体
|
15
|
弹簧
|
20
|
阀座
|
|
|
?。?、2X旋片式真空泵抽气过程:见图2,气体由进气嘴进入高真空室,起初是高压强,高低真空室都充满大气,两个排气门都打开排气。随着抽气的进行,气压下降(即真空度提高),高真空室压力不足以推开排气门,气体经中隔板进入低真空室,此时压力亦不足推开排气门,但低真空室进入有一定量油,帮助推开排气门,气体亦随之排出。排出的气体平杂着的油粒,经挡油网滤而使油分离,只有气体排出泵外,气体路径见图2。
?。?、2X旋片式真空泵油密封室里的油,由油池A经前端板上的孔供给。低真空室里的油,由油池A经后端板上的孔供给。高真空室的油,由中隔板上的孔,循环供给。2X旋片式真空泵前后端盖的密封是由泵体上部的油池B经泵体端面室的孔而流入油槽进行密封。
2X型旋片式真空泵的性能参数:
|
|
2X-2
|
2X-4A
|
2X-8A
|
2X-8
|
|
2X-15A
|
2X-15
|
2X-30
|
2X-70
|
|
2
|
4
|
8
|
15
|
30
|
70
|
|
极限真空
|
关气镇
开气镇
|
Pa(Torr)
|
6×10-2(≤5×10-4)110
|
|
6×10-1(5×10-3)
|
(≤1×10)
|
|
电动机功率(KW)
|
0.37
|
0.55
|
1.1
|
1.5
|
3
|
5.5
|
|
温升(℃)
|
≤40
|
|
进气口径(mm)
|
18
|
25
|
40
|
40
|
65
|
80
|
|
转速(r/min)
|
450
|
590
|
450 420
|
420
|
|
用油量(L)
|
0.7
|
1.0
|
2.0
|
2.8
|
3.0
|
4.2
|
|
噪声dB(A)
|
68
|
≤68
|
≤70
|
≤75
|
≤78(~70)
|
≤80(~75)
|
|
外形尺寸(cm)
|
56×31×39
|
56×34×37
|
79×43×54
|
79×53×54
|
78×50×56
|
91×65×70
|
|
适用电磁阀型号
|
DDC-JQ25
|
DDC-JQ40
|
DDC-JQ65
|
DDC-JQ80
|
|
重量(kg)
|
58
|
55
|
80
|
110
|
232
|
330
|
|
2X旋片式真空泵冷却方式
|
自然冷却
|
水冷
|
|
自然冷
|
水冷
|
|
冷却水量(L/min)
|
-
|
>0.5
|
|
-
|
>0.8
|
>1
|
|
2X型旋片式真空泵注意:
(1)真空度是指被抽容器内剩余气体压强,以分压强为我厂出厂标准,总压强为辅助标准,热偶计测的是各种蒸汽和永久气体的总压强,而麦氏表只能测出永久气体占的分压强,故二表的数值有一定的差异。
(2)抽速度是根据几何尺寸算出的在大气压强j时,实际抽速与几何抽速基本相符合,在各种不同的压强时,抽速有一定下降,抽速与压力关系见图4。
(3)温升是指泵温稳定后,在排气阀门处的油的温度与室温之差。
(4)2X旋片式真空泵型号表示方法:列2K—1,2代表双级泵,K代表旋片式真空泵,一横线后面的数字代表每秒钟的抽速。
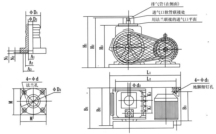
2X型旋片式真空泵的安装尺寸表:

|
代号型号
|
φD1
|
φD2
|
φD3
|
Al
|
A2
|
A3
|
N1
|
N2
|
M
|
φd
|
H1
|
H2
|
H3
|
L1
|
L2
|
L3
|
B1
|
B2
|
B3
|
K1
|
K2
|
φdl
|
φd2
|
|
2X-1
|
27
|
20
|
50
|
23
|
30
|
34
|
3
|
3
|
48
|
5.5
|
270
|
265
|
230
|
435
|
352
|
135
|
250
|
215
|
157
|
60
|
|
11
|
20
|
|
2X-2
|
30
|
25
|
|
|
|
45
|
3
|
3
|
55
|
6
|
270
|
260
|
|
400
|
380
|
|
260
|
260
|
200
|
|
|
10
|
25
|
|
2X-4
|
32
|
28
|
55
|
31
|
35
|
45
|
4
|
3
|
55
|
6.5
|
340
|
327
|
267
|
520
|
480
|
119
|
300
|
260
|
200
|
82
|
105
|
11
|
25
|
|
2X-8
|
41
|
34
|
64
|
38
|
42.5
|
52.5
|
4
|
3
|
64
|
7
|
360
|
380
|
302
|
560
|
520
|
130
|
328
|
280
|
210
|
88
|
112
|
11
|
32
|
|
2X-15
|
56.5
|
36
|
105
|
54
|
70
|
80
|
5
|
3
|
100
|
11
|
540
|
511
|
340
|
772
|
736
|
170
|
542
|
492
|
364
|
120
|
80
|
14
|
|
|
2X-30
|
85
|
65
|
105
|
75
|
85
|
93
|
5
|
3
|
100
|
9
|
560
|
550
|
463
|
780
|
730
|
185
|
500
|
390
|
340
|
140
|
136
|
16
|
|
|
2X-70
|
|
80
|
125
|
96
|
105
|
113
|
6
|
3
|
130
|
9
|
692
|
680
|
556
|
908
|
848
|
210
|
650
|
530
|
470
|
176
|
144
|
20
|
G3
|
2X型旋片式真空泵的拆箱安装:
拆箱后小心取出旋片真空泵体、备附件及说明书并保管好作日后备用。除去填充物,擦净泵的表面灰尘、垢。按装箱单清点数目。
旋片真空泵安装在环境清洁、通气良好,光线充足符合第4条要求的室内。根据使用情况泵应安装在有一定宽裕的场地,以便于操作维护。泵的外形尺寸见。旋片真空泵可以放置在坚实平坦的地面上,不需特别的地基,如需固定可另加螺钉与基础固牢,地脚螺钉尺寸见。旋片真空泵如靠近精密仪表使用时,应考虑增加防震装置。
将被抽容器用真空软管或法兰与旋片真空泵相联结,如用法兰联接时,法兰上应有橡胶圈槽,形式及尺寸见图50联接被抽容器的管径不应小于泵进气口直径,管通宜短,接头宜少,否则影响抽速,管道和接头的漏气量应小。被抽容器的气体量应与泵的抽速相适应,旋片真空泵的抽速关系见图4。在泵与被抽容器之间建议装上一个真空阀,以便控制气体流量。对于泵并建议装上一个放气阀(或电磁阀)以便停车时对泵放气,能防止返油以及容易起动。
按照电机标牌所示电压和接线方式接上电源,并建议采用保险装置以免超载,判明电机旋转方向,应与泵上箭头方向一致。取下排气塞装上排气罩,或将排所嘴上的套子取下。旋片真空泵需冷却者接上水源。
如必须使泵抽除有毒的及腐蚀黑色金属的气体、对真空油起化学变化的气体、及超过常温和有尘埃的气体时,应在进气管道上加装中和、冷却、过滤等有关装置配合使用,否则将影响旋片真空泵使用性能和寿命。抽除对人体有害的气体时,应安上相应的管道,将排出气体引至室外远离工区进行处理。
注:安装时应小心,防止铁屑、污物、尘埃等落入泵内
2X型旋片式真空泵的使用说明:
1、旋片真空泵运转注意事项:
(1)断续起动1—2次,观察在运转中有无异常声响及特殊的震动,无问题方可边续运转。
(2)注意油面应在视镜的两条油标线之间,油量多了会引起起动困难、返油、喷油等不良现象,少了则影响真空度。油量不足时应通过加油孔加油。注意久停的泵油面要下降,将泵连续运转几转后,油面才会上升。
(3)打开冷却水
(4)打开泵进气嘴上的阀门,打开的大小视具体情况而定。
2、对初次安装好的旋片真空泵,应先做一次试车运转,此时泵应无安装不当的振动及无特殊冲击声响,电机不应超负荷,油温和极限真空度应符合技术规格。
3、停旋片真空泵时应先关断进气嘴上的阀门,装有放气阀者对泵放气,再截断电源,再停水源。
4、旋片真空泵使用中注意事项:
(1)经常注意油位。
(2)泵起动后再缓慢打开阀门。
(3)经常注意泵运转是否正常,有无特殊声响,电机是否超负荷运转。
(4)注意冷却水是否中断。
(5)注意泵温升不超过40℃
(6)如停车后旋片式真空泵温要下降到5℃以下时,泵内冷水必须除净。
2X型旋片式真空泵的维护保养:
1、旋片真空泵在工作中除了注意第15条事项外,尚须注意下列事项:
(1)旋片真空泵须经常保持清洁,泵上不得放置其他物件。
(2)注意皮带松紧是否适当,第半年年调整一次。
(3)管道接头是否漏气,及时杜绝。
2、旋片真空泵连续工作三月至半年之后,就应换油一次,在湿度较大的地区,在潮湿季节工作的泵,或被抽气体污染很大的,应根据具体情况酌情缩短换油时间。
换油事项如下:
(1)将旋片真空泵拆除真空系统,把底盘电机一端垫高些,打开放油塞放油,转动真空泵、捂住排气口,使腔内污油全部从放油口放出,再从进气口处加入新油100—500ml持续转动5—10转以上对,内部进行清洗,照此操作3—5次,特污油放清后,再装上放油塞,将泵放平,从进气口及加油孔分别加入新油,换油即告完毕。
(2)换油时不宜长久开动电机,以免使排气阀片跳动过于剧烈和疲劳。
(3)严禁用煤油、汽油、酒精等对泵作非拆卸的清洗。
注:旋片式真空泵换油最好的油温升高后进行。
3、如停旋片真空泵时间较长,应取下排气罩放上排气塞,封闭进气口,放净积水。
2X型旋片式真空泵的使故障原因及消除方法:
旋片式真空泵一般故障的排除:
1、旋片式真空泵真空度不高:
(1)泵温太高:
(2)如被抽气体温度高,则应先将气体冷却后再进入旋片真空泵内。B、如吸入硬物缸内磨损,应修复更换。
(3)如泵的冷却水不够,应打开或加大冷却水。D、如装配不当,造成单面磨损,应检查再装。
(4)油位过低未到视镜油线位置,应加够油量。
(5)掺气阀未关严漏气,应关严。
(6)油质变坏,更换新油。
(7)旋片真空泵漏大气多是由于泵的端面油封不良所致,这时应打开排气盖,检查B处油池是否缺油,如无油应从加油孔处加油,使油池B处积满油.
(8)转片弹簧折断,应拆下更换。
(9)阀门片损坏,应更换。
(10)前端板上油密封里的密封圈损坏或橡胶变质,应更换。
(11)旋片真空泵使用时间长,磨损大、间隙增大,应修复或更换受损零件。
(12)进气处过滤网堵塞,取下清洗。
2、旋片式真空泵电机超负荷运转:
(1)旋片真空泵温太高,照20条(1)款(1)项处理。
(2)吸入铁屑或其它机械物质造成单面磨损,应予修复或更换磨损零件。
(3)装配不当,造成单面磨损或咬毛,应修理重新装配。
3、旋片式真空泵其它:
(1)轴端漏油,密封圈磨损或装配不正确,应更换或重装。
(2)开车喷油,油位太高,应放出多余的油,或各挡油装置已坏,应重新调整或修理。
(3)端面漏油,因前后端面碰伤不平,端板未拧紧,应将端面修平拧紧。
2X型旋片式真空泵的维修:
1、将旋片式真空泵拆离真空系统,放油先拆低真空端(见图3),取下后端板后,再取低真空转子及键,然后将前端板拆下,取出真空转子及转片、弹簧等,取下视镜、排气阀门、排气盖,用汽油或者用酒精彻底清洗全部零件。拆时应注意每个零件的部位,方向及组合松紧,拆下的零件应分开放置, 不允许混在一起,互相磨伤。检查全部零部件,看有无磨损或拉毛,打烂等不良现象,按情况进行修理或更换。特别注意前后端板发现有较大程度的擦伤,说明装配时转子与中隔板不垂直,应予调整定位销钉,如太严重时应予修理或更换。旋片式真空泵检查间隙:分别将高转子放入高真空室,低转子放入低真空室,用刀口尺及厚薄规检查间隙,两端的间隙应基本相等。
2、装配前应清洗干净并烘干,按图4进行装配,先装高真空端,将弹簧转片托起装入高转子内,然后放进高真空室,装上前端板,再装定位销钉,均匀拧紧螺钉,装配后应保证转动灵活轻松 ,均匀一致。然后再装低真空转子及后端盖,低转片的槽应向后端板一边。再装排气门,排气阀片应贴紧阀板坐,再装其它零件。
3、装配时应注意,凡转动部位应先打上真空油,注意清洁,严禁铁屑泥砂尘埃等落入泵内,定位销钉要接触良好,装好的旋片式真空泵应转动轻松,无转重不均,并没有阻滞现象。总装完后,分别从进气嘴及加油孔加油,旋片式真空泵装油在视镜横线处为止,再试车。
2X型旋片式真空泵的订货须知:
请提供以下详细数据:①旋片式真空泵的产品名称与型号②旋片式真空泵的真空度要求单位PA或MPA③旋片式真空泵抽速要求单位L/S或M3/MIN④旋片式真空泵的使用条件和功况条件⑤旋片式真空泵的电机功率(KW)⑥旋片式真空泵的转速(r/min)⑦旋片式真空泵的电压〔V〕⑧旋片式真空泵的进出口口径⑨旋片式真空泵是否带附件,以便我们的为您正确选型。
感谢访问泉达,我公司主要生产管道泵,自吸泵,排污泵等产品