YB手提式电动油桶泵,电动油桶泵,YBYB型油桶泵
YB型手提式电动油桶泵--产品概述
YBYB手提式油桶泵,适用于工厂有传爆能力不高于B级,引燃温度组别不低于T4组的可燃性气体或蒸气与空气形成的爆炸性混合物的场所及一般场所从桶抽出和输送汽油、煤油、柴油、机油、食用油等腐蚀性液体。
YBYB型手提式电动油桶泵--型号意义

YBYB型手提式电动油桶泵--工作条件及技术指标
环境空气温度:-20℃-40℃
海拔不超过:1000M
电 压:2 2 0V;频率:5 0HZ
电机功率:1 2 0W
流 量:40升/分
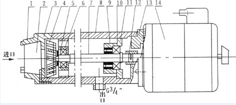
YBYB型手提式电动油桶泵--结构图
 |
1 |
泵罩 |
8 |
泵体 |
|
2 |
过滤网 |
9 |
骨架密封 |
|
3 |
泵嘴 |
10 |
轴承 |
|
4 |
叶轮 |
11 |
轴承座 |
|
5 |
异叶片支架 |
12 |
联轴器 |
|
6 |
轴承 |
13 |
泵座 |
|
7 |
泵轴 |
14 |
电动机 |
YBYB型手提式电动油桶泵--结构说明
YBYB油桶泵,由YBYB63 1 2隔爆型油桶电泵电容运转异步电动机带动。泵通过泵座与电机联接,电机轴与泵轴是用弹性联轴器联接。泵轴两端由轴承支撑,上端轴承座内设有骨架式密封,可防止液体进入电机部分。叶轮从泵的吸入口看为逆时针方向旋转。
YBYB型手提式电动油桶泵--性能参数
规格
型号 |
出口
(mm) |
流量
(L/min) |
扬程
(m) |
功率
(W) |
电压
(V) |
材质 |
|
JK-3P |
20(3/4〞) |
35-40 |
<2 |
120 |
220 |
不锈钢 |
|
JK-3B |
20(3/4〞) |
35-40 |
<2 |
120 |
220 |
铝合金 |
|
YBYB-40 |
20(3/4〞) |
35-40 |
<2 |
120 |
220 |
不锈钢 |
|
YBYB-40P |
20(3/4〞) |
35-40 |
<2 |
120 |
220 |
铝合金 |
YBYB型手提式电动油桶泵--使用说明
1 电动机的使用,详见YBYB6312隔爆型油桶电泵电容运转异步电动机产品使用维护说明书。
2 油桶泵使用前应接通电源并扭转电机开关,检查电泵运转是否正常,叶轮旋转方向是否正确。
3 油桶泵应轻轻插入和抽出油桶,避免泵体与油桶出油口边之间激烈磨擦。 ·
4 转动电机开关待泵启动后,应检查流量和扬程是否正常,并检查电机运转和温升等情况。
5 抽完一桶油后应马上停机,如电泵较长时间不工作时应将电流断开。油桶泵切忌干运转。
YBYB型手提式电动油桶泵--使用方法
1.先将出油管互相连接,并拧紧罗旋
2.把泵体插入油桶
3.插上220V电源
4.推动手柄上电机开关,即可出油
YBYB型手提式电动油桶泵--维护修理
1 油桶泵应定期检查清理,外壳不得堆积灰尘和污物。
2 油桶泵一般在运行5 0 0 0小时左右应清洗一次轴承,并出口Z13锺荃润滑酯,用量为轴承空腔的1/2左右。当轴承寿命终了时应及时更换,上端轴承规格为8 0 0 1 8,上端为101。
3 如需要换叶轮时,必须调整好叶轮与泵嘴,叶轮与泵体之间的间隙。